HOME ABOUT US NEWS PRODUCTS QUALITY GALLERY E-CATALOGUES ENQUIRY CONTACT US


SEARCH
PRODUCT >> Valves >> Plug
Product Name: JR-PV-05 Sleeve type soft sealing plug valve acc. to DIN
 
   SPECIFICATION/SPECIAL FEATURES

Click for technic details

Sleeve type soft sealing plug valve acc. to DIN is applicable to the cutting and connection of pipeline medium that are used in various industries such as petroleum, chemical industry, pharmacy, chemical fertilizer, power industry etc under nominal pressure of PN 1.6 ~ 16 MPa, and working temperature of -29¡æ to 180 ¡æ.
 
Structural formation: BC
Operating: Wrench, worm & worm gear, pneumatic, electric actuated
Design: API 599; API 6D
Face to face: DIN 3202 F1
Flange end: DIN 2543-2549
Test & inspection: DIN 3230
 
Nominal Pressure (MPa)
Shell Test (MPa)
Sealing Test (MPa)
Suitable Temp. (¡æ)
Suitable Medium
1.6
2.4
1.76
¡Ü180¡æ
Water, oil & gas
2.5
3.75
2.75
4.0
6.0
4.4
6.4
9.6
7.04
10.0
15.0
11.0
16.0
24.0
17.6
 

Body & Bonnet
GS-C25, 1.7363, 1.4308, 1.4408, 1.4306, 1.4301
Plug
F6a, F22, F304, F316, F321, F304L, F316L
Gasket
Flexible Graphite+ stainless steel, PTFE

 

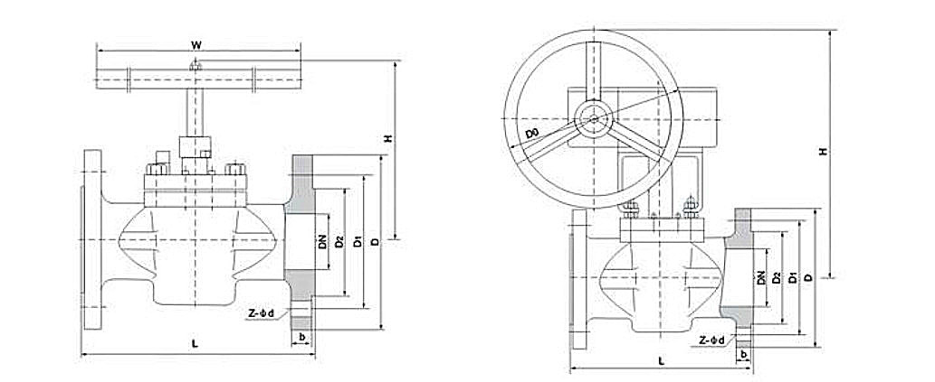
DN
L mm
H mm
W mm
Weight kg
PN16
15
130
150
300
9
20
150
155
300
10
25
160
160
300
11
32
180
180
350
13
40
200
190
400
14
50
230
200
500
19
65
290
220
500
23
80
310
230
550
27
100
350
380
300
43
125
400
460
300
62
150
480
520
320
75
200
600
580
320
155
250
730
620
350
222
300
850
680
380
390
350
980
740
380
580

 
For DN 100 and above worm gear operated.
Hits£º3236  Input time£º2013-05-09 ¡¾Print this page¡¿ 
Copyright @2012 XIAMEN JIREH INDUSTRIAL CO., LTD. Incorporated. All rights reserved.   ICP:ÃöICP±¸17023395ºÅ
 
Adds: 1105 Block B Yucheng Bldg.No.51 Dongdu Road, Xiamen, China Post Code: 361012
Tel: 0086-592-5616848 5616881 5616805 5616458 Fax:0086-592-5616958
E-mail: jireh@jirehvalve.com;     xmjireh@189.cn Site: http://www.jirehvalve.com