HOME ABOUT US NEWS PRODUCTS QUALITY GALLERY E-CATALOGUES ENQUIRY CONTACT US


SEARCH
PRODUCT >> Valves >> Control
Product Name: JR-CV-18 AX742 Safe Pressure Discharging & Staining Valve Piston Type
 
   SPECIFICATION/SPECIAL FEATURES

Click for technic details

AX742X pressure discharging/retaining valve is mounted on the pipeline of high buildings¡¯, fire fighting and other water supply systems. The pressure discharging valve will automatically open to quickly discharge the pressure when the pressure inside of the pipeline surpass the set one so as to protect the pipeline¡¯s safety. It can also be used as a pressure retaining valve to guarantee the water supply pressure of the main valve¡¯s upper-streamline.

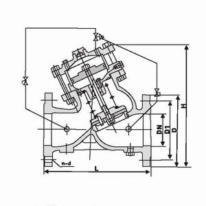
Body & Bonnet
Cast Iron, Ductile Iron, Carbon Steel, Stainless Steel, Brass
Piston
Ductile Iron
Stem
Stainless Steel, Stainless Iron
Disc
Ductile Iron, Carbon Steel, Stainless Steel, Brass

DN
L
D
D1
n-d
H
Weight kg
PN10
50
205
165
125
4-18
293
-
65
220
185
145
4-18
328
-
80
245
200
160
8-18
364
-
100
295
220
180
8-18
418
-
125
330
250
210
8-18
481
-
150
360
285
240
8-22
543
-
200
405
340
295
8-22
673
-
250
465
395
350
12-22
792
-
300
500
445
400
12-22
927
-
350
575
505
460
16-22
957
-
400
635
565
515
16-26
1188
-
450
680
615
565
20-26
1218
-
500
720
670
620
20-26
1256
-
600
825
780
725
20-30
1600
-
700
970
895
840
24-30
1750
-
800
1120
1015
950
24-33
1900
-
900
1220
1115
1050
28-33
2100
-
1000
1320
1230
1160
28-36
2400
-
1200
1620
1455
1380
32-39
2860
-
1400
2020
1675
1530
36-42
3200
-

 
Hits£º3186  Input time£º2012-06-15 ¡¾Print this page¡¿ 
Copyright @2012 XIAMEN JIREH INDUSTRIAL CO., LTD. Incorporated. All rights reserved.   ICP:ÃöICP±¸17023395ºÅ
 
Adds: 1105 Block B Yucheng Bldg.No.51 Dongdu Road, Xiamen, China Post Code: 361012
Tel: 0086-592-5616848 5616881 5616805 5616458 Fax:0086-592-5616958
E-mail: jireh@jirehvalve.com;     xmjireh@189.cn Site: http://www.jirehvalve.com