HOME
ABOUT US
NEWS
PRODUCTS
QUALITY
GALLERY
E-CATALOGUES
ENQUIRY
CONTACT US
Valves
Gate
Globe
Check
Ball
Butterfly
Plug
Strainer
Air Relief
Diaphragm
Brass
Control
Safety
Marine
Fittings
Cast Steel
Stainless Steel
Forged Steel
Micro melted Stainless...
Flanges
Forged Carbon Steel
Forged Stainless Steel
Joints
Rubber Expansion Joint
Three Flange Dismantling...
Bellow Dismantling Joints
Tester
Pipes
Others
Gasket
Bolts & Nuts
QUALITY
SEARCH
PRODUCT >>
Valves
>>
Control
Product Name:
JR-CV-21 HS41X Sludge Preventing Obstructing Valve
SPECIFICATION/SPECIAL FEATURES
Click for technic details
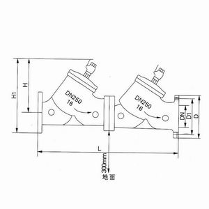
DN
L
D
H
Weight kg
20
260
1 3/4¡±
65
25
260
1¡±
80
32
280
1 1/4¡±
90
40
320
1 1/2¡±
150
50
400
2¡±
160
DN
L with drainage
L without drainage
D1
H
Weight kg
40
440
415
100
165
50
500
458
125
180
65
620
480
145
250
80
680
550
160
285
100
760
650
180
310
125
870
735
210
340
150
1030
790
240
390
200
1170
1000
295
445
250
1320
1185
355
530
Hits£º2537 Input time£º2012-06-15 ¡¾
Print this page
¡¿
Copyright @2012 XIAMEN JIREH INDUSTRIAL CO., LTD. Incorporated. All rights reserved. ICP:
ÃöICP±¸17023395ºÅ
Adds: 1105 Block B Yucheng Bldg.No.51 Dongdu Road, Xiamen, China Post Code: 361012
Tel: 0086-592-5616848 5616881 5616805 5616458 Fax:0086-592-5616958
E-mail:
jireh@jirehvalve.com
;
xmjireh@189.cn
Site: http://www.jirehvalve.com